


液化氣儲罐屬于特種設備,三類固定式壓力容器,生產制造廠家必須擁有A2生產制造資質和壓力容器制造許可證方能進行生產。
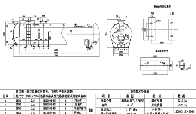
產品名稱:24立方液化氣儲罐
設計標準: GB150鋼制壓力容器,壓力容器安全技術監察規程
容積:24立方
充裝介質:液化石油氣(丙烷)
介質密度:420kg/m3
設計壓力: 1.77MPa
容器類別:Ⅲ類
制作材料:Q345R
公稱直徑:2000 mm
筒體設計厚度:10.41mm
封頭設計厚度:10.39mm
筒體厚度:12 mm
封頭厚度:12 mm
外型尺寸(長*寬*高):7994*2024*2614 mm
充裝質量:9576 kg
罐體重量:6210 kg
水壓試驗壓力:2.22 MPa
熱處理方式:620℃消除應力熱處理
設計使用年限:20年
此臺24立方液化氣儲罐是按用戶的要求定制,直徑為2000mm,有的朋友需要直徑1800mm或2100mm,也可以設計生產。